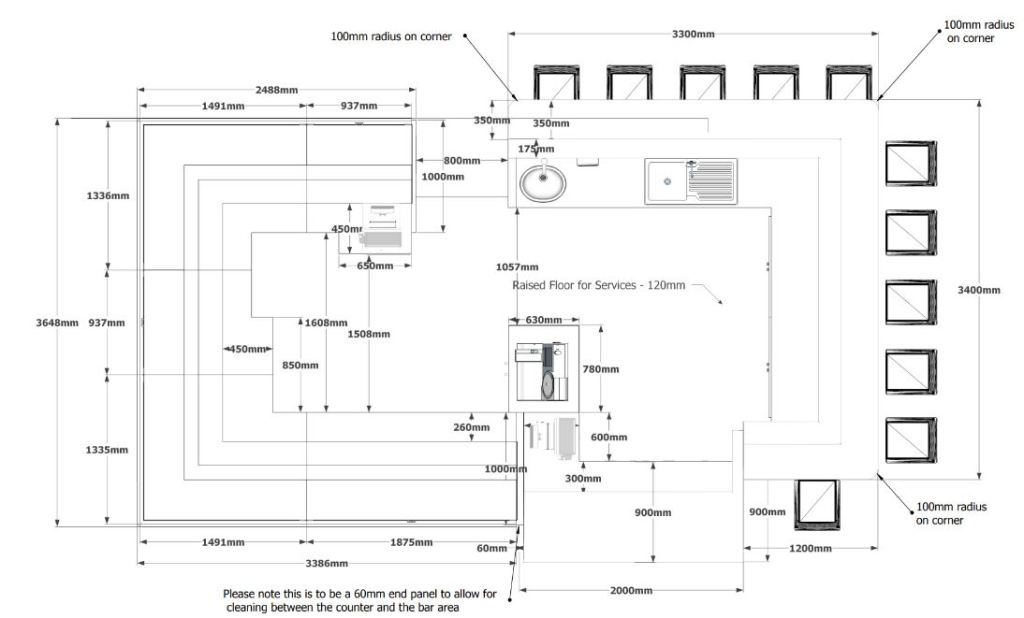
Working with Interior Architects CADA, who were developing the entire Food Hall at Jarrolds, we were commissioned to create a bespoke deli counter with integrated wine bar in the centre of the Food Hall. Detailed counter cladding, marble counter tops and copper finishing define this unique project.
Have a project in mind?






